首页
Shop店铺
DAC音频数模转换
音频数字电路
功放&模拟电路
Pi&Linux
其他
联系方式
您好,欢迎访问本站博客!
登录后台
查看权限
如果您觉得本站非常有看点,那么赶紧使用Ctrl+D 收藏吧
>
Pi&Linux
>
树莓派40针接口定义(1B+ 2B 3B 3B+ 4B)
树莓派40针接口定义(1B+ 2B 3B 3B+ 4B)
Pi&Linux
geediy
2020-02-06
10001 次浏览
0个评论
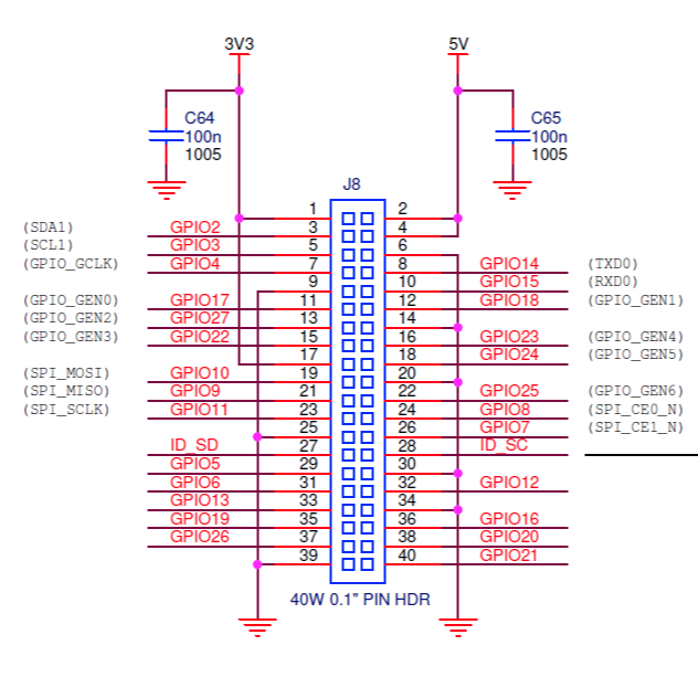
使用播放系统时 先要设正确的I2S输出驱动程序(比如HiFiBerry DAC)才能有I2S输出!
音频I2S输出脚定义: 12脚BCK 35脚LRCK 39脚GND 40脚DATA 2脚+5V
音频模拟平衡信号!平衡输出 转 单端RCA模拟 非平衡音频信号转换板!
请先
登录
再评论,若不是会员请先
注册
!